浙江省永嘉縣甌北鎮和一工業區陽光大道1668號
0577-67377110 67377119 (銷售熱線)
0577-67315555 67317555 (銷售二部)
szzkfm@163.com
http://m.lyginfo.cn
產品類型有手動蝶閥,氣動蝶閥,電動蝶閥,硬密封蝶閥,軟密封蝶閥,碳鋼蝶閥,不銹鋼蝶閥,對夾式蝶閥,法蘭式蝶閥,支耳式蝶閥,焊接式蝶閥。提供各種規格型號蝶閥,蝶閥結構,蝶閥參數,蝶閥作用,蝶閥功能。
氣動蝶閥的優點:
1、啟閉方便迅速、省力、流體阻力小,可以經常操作。
2、結構簡單,外形尺寸小,結構長度短,體積小,重量輕,適用于大口徑的閥門。
3、可以運送泥漿,在管道口積存液體少。
4、低壓下,可以實現良好的密封。
5、調節性能好。
6、全開時閥座通道有效流通面積較大,流體阻力較小。
7、啟閉力矩較小,由于轉軸兩側蝶板受介質作用基本相等,而產生轉矩的方向相反,因而啟閉較省力。
8、密封面材料一般采用橡膠、塑料、故低壓密封性能好。
氣動對夾式蝶閥的缺點:
1、使用壓力和工作溫度范圍小。
2、密封性較差。
氣動對夾式蝶閥按結構形式可分為偏置板式、垂直板式、斜板式和杠桿式。按密封形式可分為軟密封型和硬密封型兩種。軟密封型一般采用橡膠環密封,硬密封型通常采用金屬環密封。
氣動對夾式蝶閥按連接型式可分為法蘭連接和對夾式連接;按傳動方式可分為手動、齒輪傳動、氣動、液動和電動幾種。
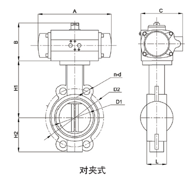
氣動對夾式蝶閥結構圖
